Products
Search
Reach Out To Us
Whenever You Need
We Are Committed To
Excellence At Our Solutions
Company.
Email For More Info
gloriazhengcn@foxmail.com
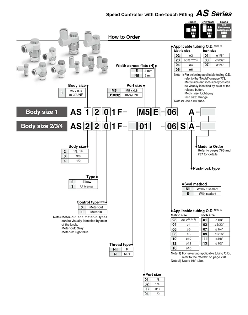
AS1201F-M5-04A
AS series push-lock type speed with one-touch fittingEasy to disassembleGood sealing performance high pressure resistance non-leakage and non-tripLight and compact structure stable performanceEasy to pull out the tube long service life push-lock type improves the workability of needle valve locking The knob size is enlarged for easy operation
Product Detail



Inquiry
Related Products
English