4F210-08
PRODUCT PARAMETER
4F210 Series 5 way 2 position pneumatic foot pedal control valve with lock and guard
Order code

Symbol

Technical parameter
|
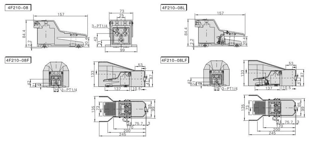
Model |
4F210-08 |
4F210-08L |
4F210-08F |
4F210-08LF |
|
Fluid |
Air |
|||
|
Acting |
Direct acting type controlled by foot normally closed |
|||
|
Port size |
G1/4” |
|||
|
Valve type |
5/2 way |
|||
|
Pressure range |
0-0.8MPa |
|||
|
Proof pressure |
1.5MPa |
|||
|
Temperature |
-20℃~70℃ |
|||
|
Body material |
Aluminum alloy |
|||
|
Lubrication |
No required |
|||
Dimension

Feature
1.The aluminum foot pedal is designed with direct acting, which is steady and reliable;
2.If the duration of direction-change is long, the valves with lock may be used;
3.The clamping framework is steady and reliable that it is easy and quick to unlock. However, with the limitation of the dimension of structure, it can not bear frequent strong impact;
4.Plastic guard with high strength may be used.
English









