SDA12-10
PRODUCT PARAMETER
SDA SDB series Piston Double acting Compact Thin Cylinder
Order code

Symbol

Technical parameter
|
Bore size(mm) |
12 |
16 |
20 |
25 |
32 |
40 |
50 |
63 |
80 |
100 |
||
|
Acting type |
Double acting |
|||||||||||
|
Fluid |
Air |
|||||||||||
|
Operating pressure |
Double acting |
0.1~1.0MPa |
||||||||||
|
Single acting |
0.2~1.0MPa |
|||||||||||
|
Proof pressure |
1.5MPa |
|||||||||||
|
Piston speed |
50~500mm/s |
50~400mm/s |
||||||||||
|
Temperature ℃ |
-5~ 60 |
|||||||||||
|
Stroke tolerence range |
Double acting:30~500,single acting:50~500 |
|||||||||||
|
Cushion type |
Bumper |
|||||||||||
|
Port size |
M5×0.8 |
1/8” |
1/4” |
3/8” |
||||||||
Stroke
|
Bore size(mm) |
12 |
16 |
20 |
25 |
32 |
40 |
50 |
63 |
80 |
100 |
||
|
Double Action |
Without Magnet |
5-60mm,each 5mm/grade |
5-85mm,each 5mm/ grade |
5-90mm,each 5mm/grade 100-110mm,each 5mm/grade |
5-90mm,each 5mm/grade |
100-130mm each 5mm /grade |
||||||
|
With Magnet |
5-60mm,each 5mm/grade |
5-75mm,each 5mm/ grade |
5-90mm,each 5mm/grade 100-110mm,each 5mm/grade |
100mm,each 5mm/grade |
100-120mm each 5mm /grade |
|||||||
|
Single Action |
Without Magnet |
5-60mm,each 5mm/grade |
5-60mm,each 5mm/grade |
- |
||||||||
|
With Magnet |
5-60mm,each 5mm/grade |
5-60mm,each 5mm/grade |
- |
|||||||||
|
Max.Stroke |
60mm |
100mm |
120mm |
130mm |
||||||||
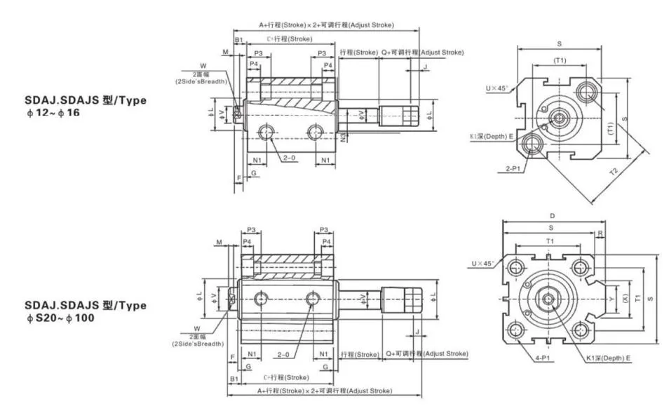
Dimension


Feature
.Action type for SDA SDB series double acting Pneumatic compact air cylinder: Double Action
Application:Pneumatic
Structure:Piston Cylinder
Thine pneumatic cylinder material:Aluminium Alloy
Double acting double out system
Made of high-quality materials, resistant to rust and corrosion, and durable.
Easy to install and remove, easy to operate, no additional tools or accessories required.
The forces allowed at different speeds are different.
Adjustable stroke
Working Fluid:Air
English